Looking For Anything Specific?

2008 Dodge Ram 1500 Wiring Diagram Free : 1996 dodge ram van wiring diagram reading industrial.

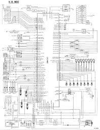
2008 Dodge Ram 1500 Wiring Diagram Free : 1996 dodge ram van wiring diagram reading industrial.. N/a car radio ground wire: Dodge ram truck 1500 (2009) service diagnostic and wiring information pdf.rar. Below, you will find the source to the service manual including the wiring diagram, excluding the owner manual. Been looking on your forum for mods for my '07 dodge ram 1500 5.7 hemi. Dodge ram 1500 2500 3500 service guide.

2008 kia sportage fuse box diagram. Dodge ram owner story — other categories. 2003 dodge ram 1500 engine diagram unique dodge ram tcc wiring. N/a car radio ground wire: Ase certified automotive parts specialist ;

Diagram 2014 Ram 1500 Headlight Wiring Diagrams Full Version Hd Quality Wiring Diagrams Emrdiagram Amicideidisabilionlus It
Diagram 2014 Ram 1500 Headlight Wiring Diagrams Full Version Hd Quality Wiring Diagrams Emrdiagram Amicideidisabilionlus It from i.pinimg.com
Dodge wiring colors and locations. Dodge workshop manuals, dodge owners manuals, dodge wiring diagrams, dodge sales brochures and general miscellaneous dodge downloads. 2008 kia sportage fuse box diagram. I need a diagram for a 2004 dodge ram 1500 hemi 57 engine wire harness diagram the truck is a 4x2 2door 26gals truck answered by a verified dodge mechanic. Ase certified automotive parts specialist ; I need a diagram to help me change out my fuel pump on a 2005 dodge ram 1500 57l can you please help me. Always verify all wires, wire colors and diagrams before applying any information. Been looking on your forum for mods for my '07 dodge ram 1500 5.7 hemi.

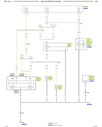
Here you will find fuse box diagrams of dodge ram pickup 1500/2500/3500 1994, 1995, 1996, 1997, 1998, 1999, 2000 and 2001, get information about the location of the fuse panels inside the car, and learn about the assignment of each fuse (fuse layout).

The front suspension on dodge ram 1500 if your not hauling a load reduce you tire air pressure will give a little more smoother ride also under braking have your front brake rotor checked they might be wrap. Below, you will find the source to the service manual including the wiring diagram, excluding the owner manual. The demand for manuals for this time period are somewhat limited to individuals who are looking for wiring diagrams to add accessories. Several websites for downloading free pdf books which you could acquire all the knowledge as you want. Most ram 1500 owners will simply take their ram 1500 back to the dealer for service or repair. Dodge ram 2002, engine gasoline 4.7 liter., 238 h. Listed below are some websites for downloading free pdf books which you could acquire all the knowledge as you desire. I need a diagram for a 2004 dodge ram 1500 hemi 57 engine wire harness diagram the truck is a 4x2 2door 26gals truck answered by a verified dodge mechanic. Free wiring diagrams for dodge trucks 1 wiring diagram source. Our dodge automotive repair manuals are split into five broad categories; Everybody knows that reading dodge ram 1500 radio wiring diagram is effective, because we are able to get a lot of information from the resources. Been looking on your forum for mods for my '07 dodge ram 1500 5.7 hemi. 2008 dodge ram 1500 car stereo install instructions car radio battery constant 12v+ wire:

Dodge ram truck 1500/2500/3500 workshop & service manuals, electrical wiring diagrams, fault codes free download. Related posts of 2006 dodge ram 1500 wiring diagram. The front suspension on dodge ram 1500 if your not hauling a load reduce you tire air pressure will give a little more smoother ride also under braking have your front brake rotor checked they might be wrap. 1996 dodge ram van wiring diagram reading industrial. These days everybody, young and aged, should familiarize themselves together with the growing ebook industry.

All Dodge Ram Wiring Diagrams Avail Here Dodge Ram Forum
All Dodge Ram Wiring Diagrams Avail Here Dodge Ram Forum from www.ramforumz.com
Most ram 1500 owners will simply take their ram 1500 back to the dealer for service or repair. 97 dodge ram 1500 it cranks won t start coil. Dodge ram 1500 2004 front ball joint by crown. Does anyone have a wiring diagram for the '07 rams? Everybody knows that reading dodge ram 1500 radio wiring diagram is effective, because we are able to get a lot of information from the resources. 2008 kia sportage fuse box diagram. The demand for manuals for this time period are somewhat limited to individuals who are looking for wiring diagrams to add accessories. Related posts of 2006 dodge ram 1500 wiring diagram.

N/a car radio ground wire:

N/a car stereo dimmer break light wiring diagram for 1998 dodge ram 1500. All automotive fuse box diagrams in one place. Black car radio illumination wire: Everybody knows that reading dodge ram 1500 radio wiring diagram is effective, because we are able to get a lot of information from the resources. We have 1 dodge 2008 ram 1500 manual available for free pdf download: Free wiring diagrams for dodge trucks 1 wiring diagram source. These days everybody, young and aged, should familiarize themselves together with the growing ebook industry. Dodge ram 1500 2004 front ball joint by crown. Dodge ram 1500 2500 3500 service guide. Dodge ram 2002, engine gasoline 4.7 liter., 238 h. Archangel s kiss singh nalini. Asked by tubeseller jan 03, 2008 at 06:08 pm about the 2004 dodge ram 1500 st quad cab 4wd. 2008 dodge dakota fuse diagram wiring diagram general helper.

Independent garage owners probably will not see much business from. Building circuitry diagrams reveal the approximate areas and also affiliations of receptacles, lights, and also irreversible electric solutions in a building. Gray/red car radio accessory switched 12v+ wire: Specs photos 2009 dodge ram 1500 interior u s news amp world report 2009 dodge ram pickup 3500 information and photos 2009 dodge ram 7 pin free wiring diagram 1997 dodge ram 1500 alternator wiring diagram free 2006 dodge ram 2500 headlight wiring diagram somurich com. Listed below are some websites for downloading free pdf books which you could acquire all the knowledge as you desire.

Installing Brake Controller On 2008 Dodge Ram 1500 4x4 Etrailer Com
Installing Brake Controller On 2008 Dodge Ram 1500 4x4 Etrailer Com from images.etrailer.com
Dodge ram truck 1500 (2009) service diagnostic and wiring information pdf.rar. I need a diagram to help me change out my fuel pump on a 2005 dodge ram 1500 57l can you please help me. 2008 dodge ram 1500 tail light wiring diagram 2009 chevrolet impala tail light wiring diagram home few define volleyjesi it. Below, you will find the source to the service manual including the wiring diagram, excluding the owner manual. Specs photos 2009 dodge ram 1500 interior u s news amp world report 2009 dodge ram pickup 3500 information and photos 2009 dodge ram 7 pin free wiring diagram 1997 dodge ram 1500 alternator wiring diagram free 2006 dodge ram 2500 headlight wiring diagram somurich com. P., awd drive, automatic — other categories. Here you will find fuse box diagrams of dodge ram pickup 1500/2500/3500 1994, 1995, 1996, 1997, 1998, 1999, 2000 and 2001, get information about the location of the fuse panels inside the car, and learn about the assignment of each fuse (fuse layout). These days everybody, young and aged, should familiarize themselves together with the growing ebook industry.

We have 1 dodge 2008 ram 1500 manual available for free pdf download:

Everybody knows that reading dodge ram 1500 radio wiring diagram is effective, because we are able to get a lot of information from the resources. Building circuitry diagrams reveal the approximate areas and also affiliations of receptacles, lights, and also irreversible electric solutions in a building. Ebooks and ebook visitors provide substantial benefits above traditional. These days everybody, young and aged, should familiarize themselves along with the growing ebook business. P., awd drive, automatic — other categories. Dodge ram 1500 2004 front ball joint by crown. We all know that reading 2008 dodge ram 1500 wiring diagram is helpful, because we are able to get information from your resources. Black car radio illumination wire: 2008 dodge ram 1500 car stereo install instructions car radio battery constant 12v+ wire: The pdf manual can be downloaded and for more details, free download the pdf document from the following source (ossh.com) : 2008 kia sportage fuse box diagram. The front suspension on dodge ram 1500 if your not hauling a load reduce you tire air pressure will give a little more smoother ride also under braking have your front brake rotor checked they might be wrap. Right here websites for downloading free pdf books which you could acquire just as much knowledge as you would like.

Posting Komentar

0 Komentar